咨詢電話
13924666952
400-158-1606
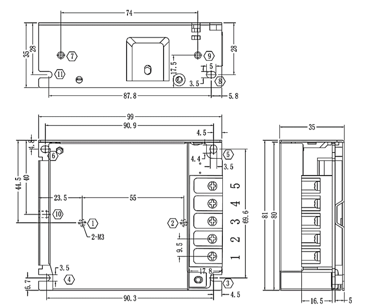
華成系列機械手控制系統開關電源及制動電阻尺寸圖,統一適用所有系列型號產品,開關電源分單路及雙路,如下:
單路開關電源尺寸圖:

安裝方式 | 安裝位號 | 螺絲規格 | 螺絲長度(max) | 安裝扭矩(max) |
螺絲固定 | ①--② ⑦--⑨ | M3 | 5mm | 6.5kgf.cm |
③--⑥ ⑩--? | M3 | 3mm | 7kgf.cm |
雙路開關電源尺寸圖:

安裝方式 | 安裝位號 | 螺絲規格 | 螺絲長度(max) | 安裝扭矩(max) |
螺絲固定 | ①--② ⑦--⑨ | M3 | 5mm | 6.5kgf.cm |
③--⑥ ⑩--? | M3 | 3mm | 7kgf.cm |
制動電阻尺寸圖:

安裝方式 | 螺絲規格 | 螺絲 長度(max) | 安裝 扭矩(max) |
螺絲固定 | M5 | 8mm | 7.5kgf.cm |
型號 | 25℃-40℃額定功率(W) | 外形尺寸(mm) | 阻值范圍 | ||||||
電阻體 | |||||||||
A±1.0 | B±1.0 | C±1.0 | D±1.0 | E±0.5 | F | G±1.0 | 0.1~20K | ||
RXLG | 200 | 165 | 147 | 30 | 60 | 5.6 | 45° | 119 | |
版權所有 ? 深圳市華成工業控制股份有限公司 未經許可不得復制、轉載或摘編,違者必究 版權聲明
Copyright ? Shenzhen Huacheng Industrial Control Co., Ltd. All Rights Reserved.
網站ICP備案號: 粵ICP備19106162號
技術支持:新新網絡